Voltage Type Single - Phase Voltage Regulator Solid State Relay
- Brand
- NQQK
Features:
● Adjustable output voltage
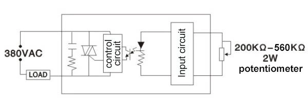
● Analog control signals: 4-20mA, 0-10V DC, variable resistor 220-560kOm
● There isn’t contact bounce and sparks during switching
● Removable finger proof cover available
● Low power consumption
● Panel mount
● Environmental friendly product
Models explanation:
NKDH......40......48.......ZD3
1 2 3 4
1.
NKDH – single-phase solid state relay (10 – 120А)
NKDM – industrial class solid state relay (100 – 500А)
NKTH – three-phase solid state relay (10 – 120А)
NKTR – motor reversing solid state relay (10 – 40А)
2.
40 – load current 40А (10 – 500А)
3.
48 – load voltage 24-480V AC, 38 – 24-380V AC, 23 – 5-220V DC
4.
ZD3 – control signal type(swithing mode)
VA – variable resistor 220-560кОм/2Вт (phase control)
LA – analog signal 4-20мА (phase control)
VD – analog signal 0-10V DC (phase control)
ZD – control voltage 10-30V DC (switching at zero crossing)
ZD3 – control voltage 3-32V DC (switching at zero crossing)
ZA2 – control voltagte 70-280V AC (switching at zero crossing)
DD3 – control voltage 3-32V DC (DC voltage switching)
Types:
| Loda voltage | Control Signal | Rated current | ||
| 10A | 25A | 40A | ||
| 380V AC | 4-20mA | NKDH1038LA | NKDH2538LA | NKDH4038LA |
| 0~10V DC | NKDH1038VD | NKDH2538VD | NKDH4038VD | |
| 220~560KΩM | NKDH1038VA | NKDH2538VA | NKDH4038VA | |
| Loda voltage | Control Signal | Rated current | |||
| 60A | 80A | 100A | 120A | ||
| 380V AC | 4-20mA | NKDH6038LA | NKDH8038LA | NKDH10038LA | NKDH12038LA |
| 0~10V DC | NKDH6038VD | NKDH8038VD | NKDH10038VD | NKDH12038VD | |
| 220~560KΩM | NKDH6038VA | NKDH8038VA | NKDH1008VA | NKDH12038VA | |
Technical specifications:
| Model | NKDHxxxxxLA | NKDHxxxxxVD | NKDHxxxxxVA |
| Load voltage | 24-480VAC | ||
| Load signal | 4-20mA | 0-10V DC | 470~560KΩM/2W |
| Leakage current(off-state) | ≤5mA | ||
| Peak voltage | 1000V AC | ||
| Voltage drop | ≤1.6V AC | ||
| Switching time | ≤10mS | ||
| LED indication | no | ||
| Dielectric strength | 2500V AC (1min) | ||
| Insulation resistance | 500MΩ with 500V DC | ||
| Operating temperature | -30°c ~ +75°c | ||
| Relative Humidity | ≤95%(non-condensing) | ||
| Dimensions | 57.4x44.8x32mm | ||
| Mounting method | Screws on | ||
| Weight | ≤135g | ||
Outline dimensions & Wiring diagram:

